
U0630推拉式電磁鐵專門為信報箱、儲物柜設計的一款門鎖電磁鐵,產品體積小,性能穩定,制造成本低被廣大客戶追捧。
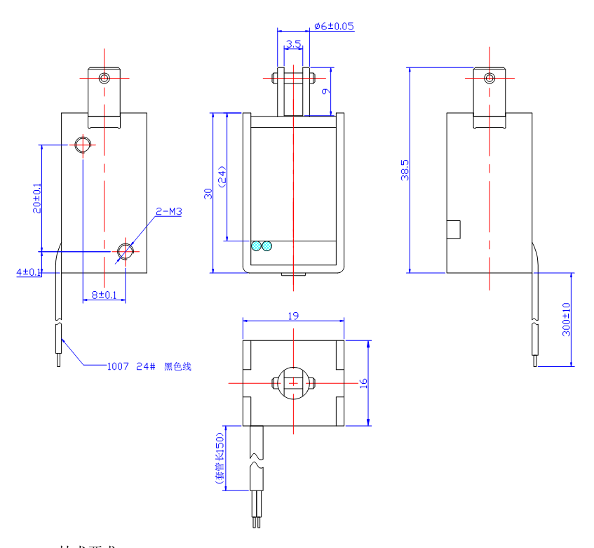
U630門鎖電磁鐵的尺寸圖:

U0630推拉式電磁鐵其余參數:
1,電壓:DC24V
2,電流:7A
3,功率:164W
4,通電頻率:1%,可根據客戶使用力量的大小進行調整。
5,行程、力量:行程在10mm時力量大于600克。
U0630推拉式電磁鐵鐵芯和滑竿部分圖片(可根據客戶的要求定制)


U0630門鎖電磁鐵連接線和端子圖片:

廠家聲明:東莞市磁心電磁科技有限公司是集研發、設計、制造、銷售一體化的工廠,工廠位于廣東省東莞市清溪鎮。公司擁有一支經驗豐富的工程團隊,已經研發出各種門鎖電磁鐵。其中有:信報箱門鎖電磁鐵、儲物柜門鎖電磁鐵、安防道匝門鎖電磁鐵、自動設備門鎖電磁鐵已經家用門鎖門鎖電磁鐵等。
廠家提供:定制、設計、研發、批量生產、售后服務等
廠家電磁鐵系列齊全,歡迎廣大客戶前來咨詢,期待與您攜手共進!